マトリクスセンサ システム MTS-01TT29 
概 要  
本仕様書は、マトリクスセンサシステム MTS−01TTについて適用する




最大印加電圧 Vcc DC+15V
出力電流 Iout 80mA Max.
動作温度範囲 Pwv −10〜+55℃
保存温度範囲 Topr -20〜+55℃
源電圧 DC12V±10% リップル5%以下
消費電流 500mA Max.
応答時間 10msec.Max.
出力形態 NPNオープンコレクタ(アクティブ H)
シンク電流          50mA Max.
       X軸  8bit パラレル
       Y軸  8bit パラレル
       X,Y各 ポジションデータ         6bit
            2ヵ所遮光エラー          1bit
            5ヵ所遮光エラー          1bit
感度調整 可変ボリューム
出荷時調整位置/光センサ部:5目盛り目(センター)
           /ショックセンサ:3目盛り目手前(9時半程度)
光 軸 数 X軸: 27
Y軸: 20
到達距離 X軸: 0.7m Min.
Y軸: 1.0m Min.
発光波長 940nm
対外乱光照度 1000 Lux.(直近でのインバーター蛍光灯を除く)
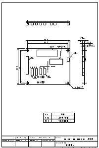
外形図 CPUボード部             K6001参照
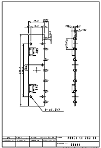
LED部                 K6002参照
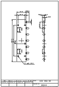
PTr部                  K6014参照